Description
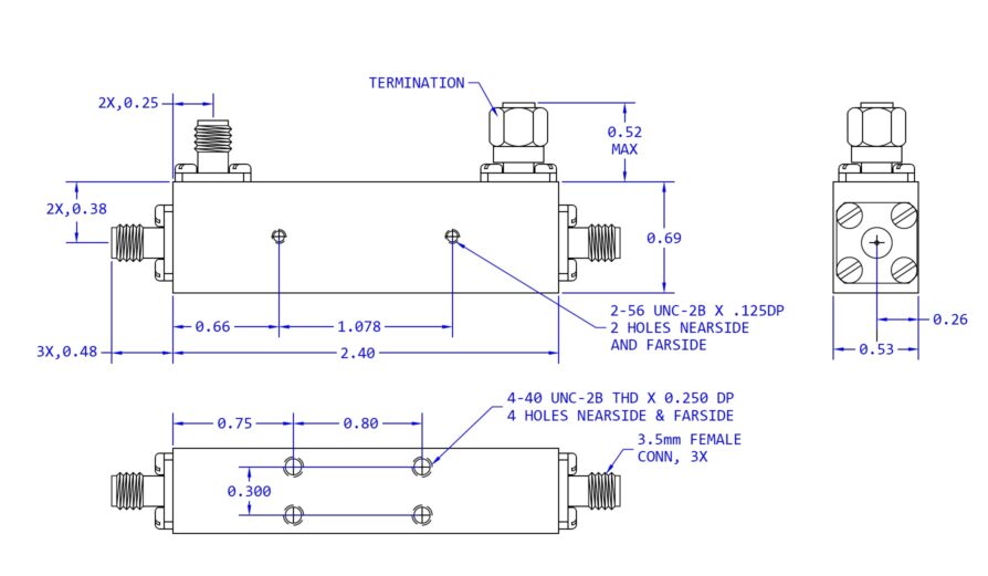
Outline 'B'
The Eclipse ECP226516 is a ultra broadband 10dB directional coupler operating from 1.7 to 26.5 GHz. The ECP226516 has low insertion loss, low VSWR and is available with 2 different mechanical packages with SMA female connectors.Eclipse MDI coupler products include a broad range of devices that extend from 1 GHz to 26.5 GHz.
Features
- Fixed or adjustable attenuation tuning
- Low insertion loss
- SMA standard connector
- Impedance 50 or 75 ohms
- Compact size
- Meets MIL-E-5400 and MIL-E-16400 environmental requirements
Specifications
- Insertion loss dB: Typ. 1.2
- VSWR: Typ. 1.5:1
- Coupling dB: 16.0 Nominal
- Directivity dB: 14.0 Min.
For more info, please see data sheet

